К вопросу о системе и структуре сюжета
Автор: SubVlad(Дисклеймер: присутствуют спойлеры к мультфильму "Как приручить дракона")
В предыдущем варианте интродукции для этой статьи было 379 слов. Непростительно много и скучно. Но, выспавшись, я решил убрать всю воду и оставить только следующий текст:
Я люблю хороший сюжет, и много времени провел над размышлением, что делает сюжет хорошим.
Однако совсем убрать интродукцию я не могу. Потому что даже у статьи есть свою сюжет, и ей тоже требуется завязка. У всякой работы должно быть какое-то вступление, чтобы читатель или зритель "изучил брод, прежде чем сунуться в воду". У дипломной работы и той есть завязка, где ее роль играет введение.
Прежде всего я напомню определение сюжета, чтоб быть уверен, что я с читателем говорю на одном языке, и используя одну терминологию. Сюжет - это прежде всего ряд событий, или сцен, происходящих в произведении. Все. Это все определение. К счастью, это не понятие энтропии, и чтоб его осмыслить, не требуется быть физиком-ядерщиком.
Иронично, но приводить это определение мне даже не требовалось. Подсознательно каждый из нас прекрасно понимает, что такое сюжет. Это одна из тех вещей, которые нам рассказывают родители в детстве. Позднее, в школе, нам рассказывают, что сюжет состоит из завязки, развития действия, кульминации и развязки.
Все это ужасно скучно и не позволяет нам раскрыть природу объекта исследования. Не удивлюсь, если половина читателей уже на этом месте закрыла статью. Теория - это прекрасно, но любое понятие гораздо интереснее разбирать на практике.
Есть одно произведение, которое всем нам хорошо известно. Я в этом уверен ,потому что раз вы открыли статью на тему размышлений о литературе, то вы и сами в свободное время занимаетесь исследованием данной области, или, ка минимум, читаете соответствующие посты в интернете. Это произведение: "Продаются детские ботиночки, неношеные". Ее авторство приписывают Хемингуэю, хотя в действительности настоящий автор не известен, и это произведение было знакомо еще до начала карьеры Мастера.
Мне это произведение особенно нравится тем, что оно в полной мере отражает, что делает простой набор слов настоящим произведением, при этом оставаясь примером абсолютной лаконичности. Последнее тем более удобно, потому что мы имеет на руках что-то вроде эталона, то есть образца, относительно которого мы можем сравнивать все остальные исследуемые образцы. Это произведение максимально кратко, в нем нет ни единого лишнего слова, как в дистиллированной воде, в которой нет ни единой молекулы не-Н2О.
Без последнего слова это предложение - просто объявление о продаже. Но с добавление этого слова мы сразу же видим историю: ждали ребенка, но чудо не произошло, либо он погиб вскоре после рождения. Обращаю внимание, что мы не можем сказать, что вся история содержится только в этом одном слове. Если мы оставим только это слово "неношеные", то в полученном наборе букв нет ни истории. ни смысла.
Это открывает нам одно из свойств цельного произведения - эмерджентность, то есть наличие у системы свойств, не присущих набору отдельных его частей. Для простоты понятия: велосипед обладает свойством быть транспортом. Однако если мы его разберем и соберем его детали в кучу, этим свойством "транспортности" он уже не будет обладать. Соберем обратно - и вновь получаем это свойство. Сам факт наличия этого свойства у велосипеда делает его эмерджентной системой.
Кто-то однажды пошутил: "Не вижу смысла покупать и читать книги, после того как букварь прочел. Вас же тупо обманывают — меняют буквы местами и продают как что-то новое!" Очень удачная шутка, тем более, что она открывает перед нами факт: любая книга - это набор элементов (куча деталей велосипеда) (например, "ыеоеичнт бисея таоПрдюсдткео иокнншн,е"). Однако если их собрать вместе в определенном порядке, мы получим систему, которая будет обладать свойством, не присущим простому набору составлявших его элементов (велосипед) ("Продаются детские ботиночки, неношеные"; да, я действительно взял буквы этого предложения и переписал их в рандомном порядке).
Этими размышлениями я Америку не открыл. Каждый из нас и сам давно догадался, что любое произведение - это осмысленный набор слов. Мне лишь хотелось указать на то, что произведение - это прежде всего система. А системе свойственно то, что у нее обязательно есть структура. Эта структура - это те самые завязки, развития действия, кульминации и развязки, о которых нам рассказывали в школе. Однако мне лично больше по душе архитектура, которая называется Кругом Историй Дэна Хармона, автора сериала "Рик и Морти". Я не стану расписывать об этом подробно, потому что это уже сделали за меня. Кому интересно: https://author.today/post/680229?ysclid=mksqnmi1wv331275734
Тем, кто знает меня лично, известно, что я программист. На момент написания статьи мне оставалось полгода до получения диплома программиста информационных систем и баз данных. Нам, программистам, свойственно то, что я лично называю "системное мышление": мы рассматриваем любой объект как совокупность взаимодействующих элементов.
Я не стану вдаваться в подробности науки о программирования. Но в рамках текущей статьи я бы хотел рассказать о UML-диаграммах.
Всякое приложение можно рассмотреть с разных точек зрения: либо как совокупность программных модулей (кусков кода), либо как совокупность выполняемых ею функций, либо как совокупность работающих с приложением ролей пользователей и что они делают (например, директор - смотрит отчеты, кассир - оформляет чек, кладовщик - оформляет приход товара), и так далее. Все эти совокупности элементов можно изобразить визуально, чтобы передать другому разработчику смысл и работу вашего приложения. UML-диаграммы - это по сути еще один язык, на котором разговаривают программисты друг с другом.
Не стану приводить примеров реальных диаграмм. Боюсь, если вставлю в статью изображение, которое поймет один человек из тысячи, я просто потеряю своего читателя. Гораздо интереснее другое: однажды работая над очередной диаграммой, я пришел к мысли, что такую же диаграмму можно было бы написать для какого-нибудь сюжета.
Например, так:

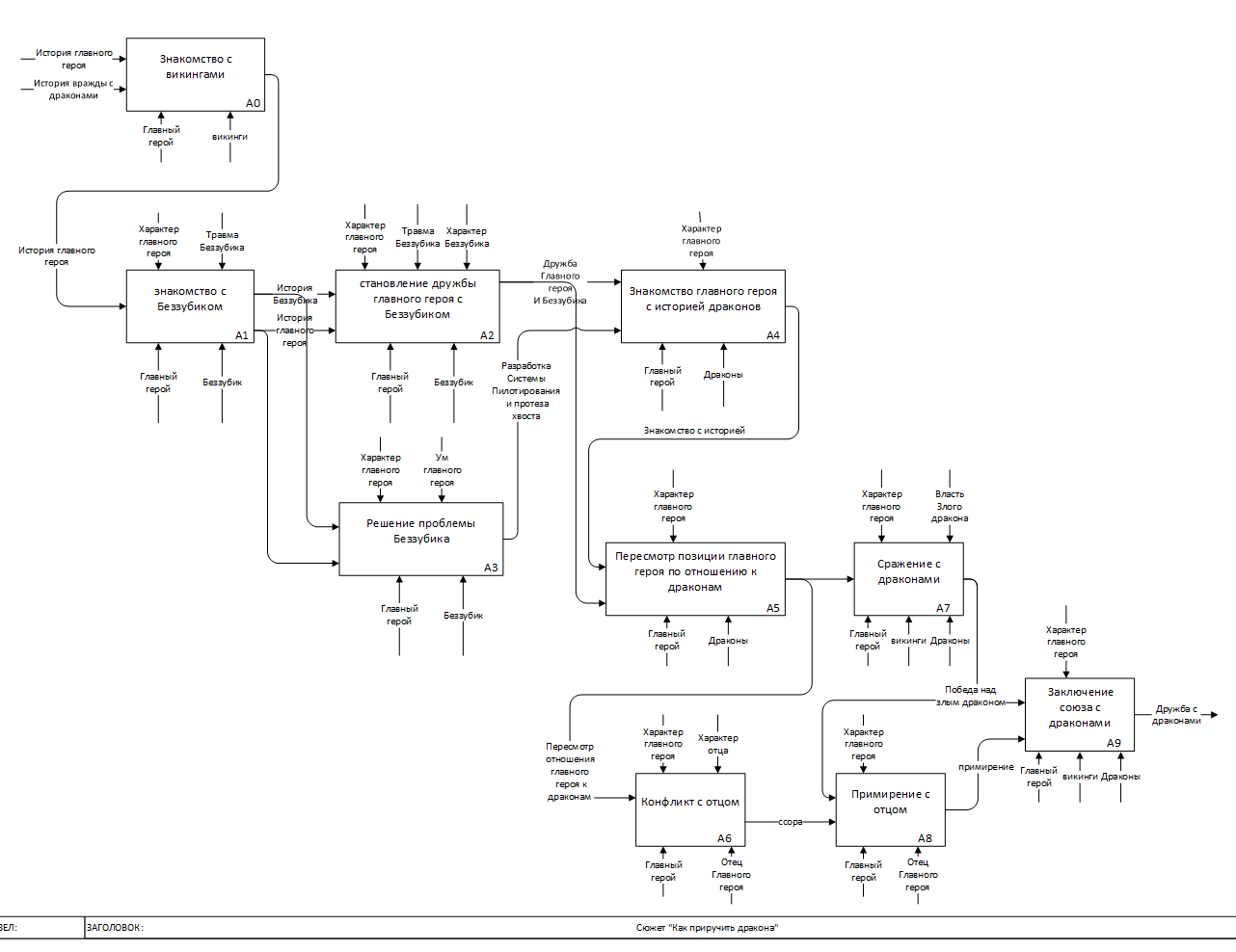
Перед нами то, что я могу назвать диаграммой сюжета мультфильма "Как приручить дракона" нулевого уровня (А0). Прямоугольник символизирует весь сюжет. Стрелочки слева - входные данные: история главного героя и история взаимодействия главных организаций, участвующих в сюжете. Стрелки снизу - главные действующие лица и организации. Так как все викинги мультфильма большую часть сюжета придерживаются одних интересов и взглядов, я объединил их вместе. То же самое с драконами. Стрелка сверху - то, что позволило сюжету случиться; тот фактор, без которого всей истории бы не случилось. Стрелка слева - выходные данные - что мы получили на выходе из данного блока активности.
В данной диаграмме весь сюжет мультфильма показан как одно действие, одна активность, одна неделимая сущность. Однако каждый, кто видел мультфильм знает, что его сюжет не является чем-то неделимым; чем-то, что нельзя было бы разделить на отдельные сцены. Этот сюжет состоит из множества действий, без которых мы бы не пришли к финальным титрам. Так же как и в программировании, давайте, так сказать, масштабируем эту диаграмму - посмотрим. что находится внутри этого действия. Разделим ее на части и получим диаграмму сюжета первого уровня (А1):

Пусть господа-программисты простят мне пренебрежение некоторыми правилами составления функциональной диаграммы. Я был вынужден собрать все элементы как можно плотнее, чтобы читателю было лучше видно.
Так или иначе, обратите внимание, что у каждого действия в сюжете обязательно стоит какие-то входные данные, или какой-нибудь объект, который был получен в результате предыдущего действия. Данная диаграмма свидетельствует о том, что все действия в сюжете взаимосвязаны, и ничто не стоит обособленно от большого сюжета. В хорошем сюжете все события взаимосвязаны, и ничто не возникает из ниоткуда.
И обратите также внимание на верхние стрелочки над каждым блоком. У каждого действия, кроме первого, обязательно стоит какое-то условие, которое стало причиной возникновения данного события. Я лично везде поставил "характер главного героя", хотя в самом мультфильме может быть их гораздо больше.
Первое действие не имеет стрелочки фактора возникновения, потому что первое действие - это всегда завязка, знакомство с миром. События, протекающие в процессе этого знакомства, могут, конечно, возникать из-за каких-то факторов. Однако зачастую в большинстве сюжетов Знакомство с миром и главными персонажами протекает в обстановке, соответствующей ежедневной рутине этих героев. В данном случае, ежедневной рутиной викингов является сражение с драконами.
Для чего же может существовать эта диаграмма? Прежде всего, правильно составленная диаграмма помогает наглядно представить себе структуру сюжета и взаимосвязь его элементов, причины возникновения того или иного события, участников события.
Сценарист мог бы составлять подобную диаграмму перед тем, как приступать к работе над своим новым проектом. Либо же он может составлять диаграмму по ходу работы с текущим объектом, чтобы не терять связи между событиями.
Также хочу обратить внимание, что каждый блок действия в данной диаграмме тоже может быть разбит на под-действия. Таким образом, мы можем масштабировать последовательность событий до бесконечности, если это требуется нашей работе.
В программисткой практике существует еще много разновидностей UML-диаграмм. И мы могли бы, например, представить себе, как бы выглядела диаграмма характера героя, диаграмма боевой сцены, диаграмма правил волшебного мира и так далее. Позднее я постараюсь разобрать эти и другие возможные варианты применения UML-диаграмм в писательской практике.