Структуры. Органические и неорганические. #1
Автор: Xpath*****
Статьи
****

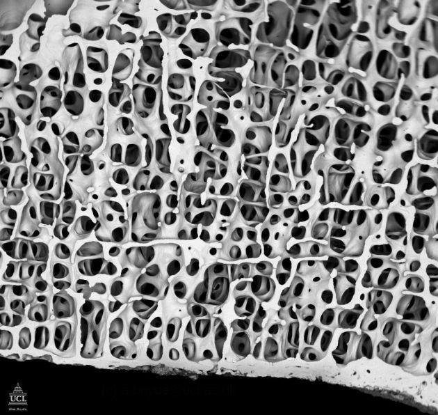
Пример костной структуры под микроскопом
Структуры. Органические и неорганические. #1
Пример структуры грибка под микроскопом
N.B. Помните, где-то около года назад я выпустил несколько статей о фракталах, в том числе и о Фракталах Мандельброта. Там были и интерактивные анимационные и просто видео изображения. Многие мои друзья признались мне, что они, что называется "залипли", рассматривая эти структуры.
Похожий эффект возникает и при рассмотрении многих биологических структур. Например структур строения различных костной тканей. Или мембран или просто клеточные структуры. Структуры древесины или коры деревьев.
Мы уже неоднократно убеждались в том, что природа гениальный художник и конструктор и не важно идёт ли речь о биологических или небиологических объектах.
Вот на несколько таких изображений объектов мы и полюбуемся сегодня :)
***

Вулканическая структура

*
*

Интересные образования тафони в песчанике формации Пиджен Пойнт на государственном пляже Бин Холлоу в округе Сан-Матео, Калифорния
***
Тафони (или тафони, неизменное слово) обозначает в геоморфологии полость или округлую полую форму размером от нескольких сантиметров до нескольких метров, вырезанную эрозией в кристаллических породах или песчанике, в засушливом климате или на некоторых побережьях. Тафони можно найти во всех частях света, но чаще они встречаются в морских районах, засушливых районах и пустынях. Признанные подкатегории тафони включают сотовые, каменные, альвеолярные (менее 2 см (0,79 дюйма)), боковинные, базальные, вложенные и реликтовые тафони. В итальянском языке это также обычно синоним nido d'ape roccioso.

***
*

*
*
*
*
Структуры кораллов
***
*
*
*
Структуры древесный коры
Скелет кактуса опунции
Скелет кактуса чолла
Структура медового салата
Биологические клетки
***
*
*
Костные структуры
Мембрана под микроскопом
***
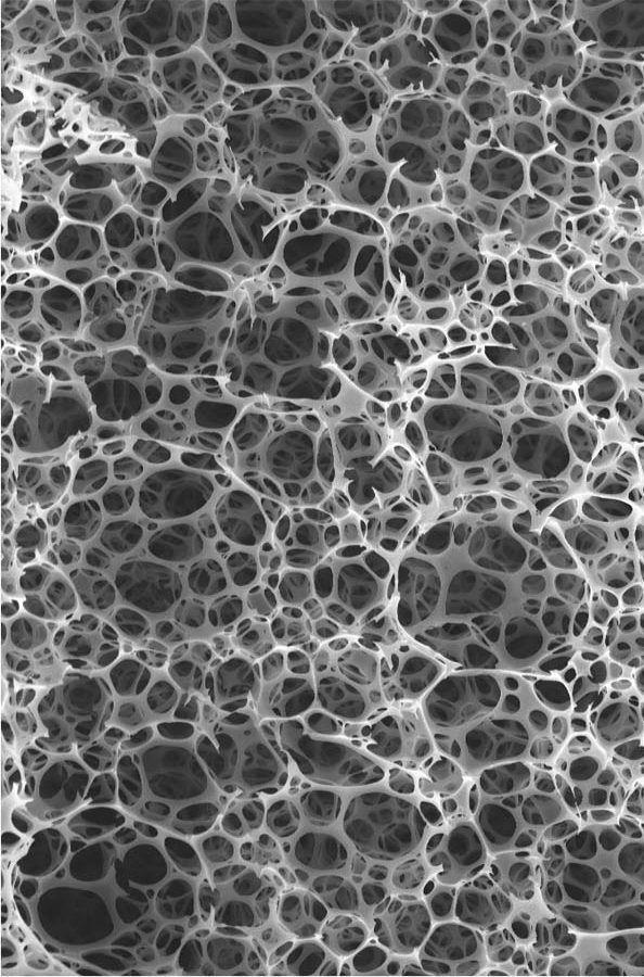
сухая губка из макропены sem
N.B. В заключение этой статьи хотелось показать вам несколько актов в в стиле напоминающем природные структуры, которые мы видели сегодня

Автор : Фенелла Елмс

*
Автор : Тара Догован
*
Автор : Grasshopper (Кузнечик)
Автор : Такааки Танака
Автор : Миссисипи Грин

Подобная майка даже продаётся в онлайн магазинах. Стоит что-то около $30 канадских доллара.
*
*
*
*
*
*
*
*
Текстуры и Структуры неизвестных авторов
***
N.B. Друзья прислали в догонку:

***
N.B. Ссылки на другие похожие статьи и блоги:
***
701 : Структуры. Органические и неорганические. #1
Прекрасное Далеко, Часть 106
Том: https://author.today/work/243080
Блог : https://author.today/post/341698
***
Математика, Физика, Точные Науки
https://author.today/reader/174567/1428052
***
ТЕМА "Цветные Миры" в литературе и не только. А также, "другие" миры
https://author.today/reader/174567/1672668
***
***
***
P.S. В статье использованы материалы личного архива (>500 К фоток), с сайтов Wiki,
***
P.P.S. Ссылки на все книги серии находятся в каталоге "Прекрасное Далеко, Хронология, Тематики, Индекс" на сайте "Author Today":
Том: https://author.today/work/174567
***